GN 707.4-AL
GN 707.4
Ayrı Şaft Bilezikleri
78711-R,20
78710-R,10
78712-R,50
ellerGN 300-30-B5-SW;60
GN 612-5-M12x1,5-A;40
DIN 172-B10,5-20-A;50
ISO 8675-M8x1-04-BT;10
78711-R,20
78710-R,10
78712-R,50
ellerGN 300-30-B5-SW;60
GN 612-5-M12x1,5-A;40
DIN 172-B10,5-20-A;50
ISO 8675-M8x1-04-BT;10
Ayar Bileziği
ISO 4762 soket başlı kapak vidası
Paslanmaz Çelik AISI 304
Diş Kilidi
Poliamid yama kaplama (PFB)
Mavi
Ayarlanabilir el manivelaları
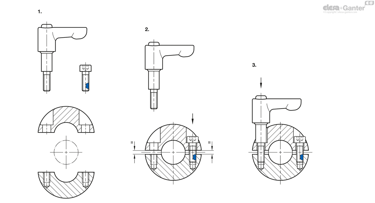
GN 707.4 ayrı şaft bilezikleri, eksenel montaj mümkün olmadığında kullanılır. Bunlar, bir ayarlanabilir el manivelası kullanılıp yarık yüksekliği azaltılarak kolaylıkla ve hızla kenetlenebilirler. Bu sayede örneğin sık sık ayarlanması gereken bir uç durdurucu olarak kullanılabilirler.
Birlikte verilen soket başlı vidanın diş kilidi, kurulum sırasında ayarlanmış olan yarık yüksekliğinin kenetleme manivelası serbest bırakıldığında bile korunmasını sağlar.
Ayrı şaft bileziklerinin boyutları, yarı ayrı şaft bilezikleri GN 706.2 / GN 706.4’e denk düşer. Boyut d1 = 16 ila 36 için d3 diş, açık delik olarak tasarlanmıştır; boyut d1 = 42 ve üzeri için kör delik olarak tasarlanmıştır.
Talebiniz gönderilmiştir ve mümkün olan en kısa sürede cevap verilecektir.