GN 7404-AL
GN 7404
İki yollu nefes alabilir membranlar
78711-R,20
78710-R,10
78712-R,50
ellerGN 300-30-B5-SW;60
GN 612-5-M12x1,5-A;40
DIN 172-B10,5-20-A;50
ISO 8675-M8x1-04-BT;10
78711-R,20
78710-R,10
78712-R,50
ellerGN 300-30-B5-SW;60
GN 612-5-M12x1,5-A;40
DIN 172-B10,5-20-A;50
ISO 8675-M8x1-04-BT;10
Gövde
Membran
Dokumasız naylon materyal / Akrilik kopolimer ıslatma
Membran ekleri
Plastik (Poliamid PA)
Koruyucu filtre
Paslanmaz Çelik AISI 304
Conta / O-Halka
NBR kauçuk (Perbunan®)
GN 7404 iki yollu nefes alabilir membranlar, konut ve ekipman yapımında kullanılabilir. Konut duvarına yerleştirildiğinde, konutun iç tarafıyla çevreleyen alan arasındaki basıncı eşitlemek için kullanılabilir.
Kir, toz, yağ ya da gazlı ortamdaki su dışarıda tutulur. Bu, kir ve nemin konut içine girmesini ve çevreleyen alana yağ damlamasını önler.
Membranları korumak için, tamamen yağ veya suyla kaplı olmamalı ve diferansiyel basınç/hava geçirgenlik hacmi aşılmamalıdır. Korumalı bir pozisyonda yan tarafa/dikey olarak yerleştirilmelidir.
Girintili altıgen soketli yuvanın dış çapı Ø, DIN 3852 boru bağlantı elemanlarına yönelik yivli plakalar için tasarlanmıştır.
Conta, düzlemsel taraftaki girinti içinde gömülüdür. Bu, kaybolmasını ve sıkıştırma sırasında dışa doğru sıkılmasını önler.
Montaj talimatı: 4 mm'den daha az kalınlıkta duvarlara montaj için lütfen montaj somunları kullanın GN 7430.
Membranlarda tamamen sırasız bir yapıya sahip alt katman olarak dokumasız naylon materyal kullanılmıştır. Membranın çok küçük gözenekleri, liflerin malzemedeki boşlukları doldurmayan akrilik kopolimer ile tamamen doyurulmasıyla oluşturulmuştur.
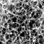
Malzeme ve işleme parametreleri, üretim sırasında gözeneklerin boyutunu (0,2 ile 10 µm arasında olabilir) etkileyebilir. Membranın kalitesini belirlemek için porometri kullanılabilir. Bu, diğerlerinin arasında membran gözeneklerinin boyut dağılımını ve hava geçirgenliğini değerlendiren bir derecelendirme işlemidir. Membranın çapraz kesitinin mikroskobik görüntüsü burada gösterilmektedir.
Karşılaştırma için: Ekonomik olarak uygulanabilir yöntemlerle üretilen bir filtrenin minimum gözenek genişliği 50 µm’dir.
Membran, mikroskobik görüntüler, 2000x büyütme
Membranlar, malzemeleri ve yüzey yapısı gereği yağ ve su geçirmez. Bu, su ve yağ damlacıklarının membran yüzeyini tamamen kaplamasını önler. Bu özellikler, membranın yan tarafa dikey yerleştirilmesiyle desteklenir.
Nadir durumlarda membranın kaplanması halinde, az miktarlarda yağ ya da su basınç farkı nedeniyle membrandan geçebilir. Durum düzeltildiğinde, yağ ve su süzülerek akacak ve membran tamamen işlevsel hale gelecektir.
Membran kullanırken maksimum hava geçirgenlik hacmi, maksimum diferansiyel basınç ve maksimum nominal/patlama basıncı önemlidir. Ulaşılabilecek hava geçirgenlik hacmiyle 1 bar’ı geçmemesi gereken diferansiyel basınç arasında doğrusal bir ilişki vardır.
Termal - Membran ekleri 100 °C’yi aşan sıcaklıklarda kullanılamaz. Membranın kendisi 150 °C’ye kadar sıcaklıklara dirençlidir.
Kimyasal - Membranlar yağlar, yakıtlar, organik solventler ve alkoller gibi makine ve otomotiv mühendisliğinde yaygın şekilde kullanılan çok çeşitli kimyasal maddelere karşı dirençlidir. Herhangi bir şüphe olması durumunda tolerabilite testi gerçekleştirilmelidir.
Talebiniz gönderilmiştir ve mümkün olan en kısa sürede cevap verilecektir.