78711-R,20
78710-R,10
78712-R,50
ellerGN 300-30-B5-SW;60
GN 612-5-M12x1,5-A;40
DIN 172-B10,5-20-A;50
ISO 8675-M8x1-04-BT;10
78711-R,20
78710-R,10
78712-R,50
ellerGN 300-30-B5-SW;60
GN 612-5-M12x1,5-A;40
DIN 172-B10,5-20-A;50
ISO 8675-M8x1-04-BT;10
Yıldız topuz DIN 6336
Plastik (Poliamid PA)
siyah, mat
Kam kilit mandalı
Çelik Levha
galvanizli, mavi pasifleştirilmiş
Cıvata ve mesafe parçası
Çelik
galvanizli, mavi pasifleştirilmiş
GN 117 kilit mandalları titreşime karşı dayanıklıdır ve 10 mm'ye kadar çekme aralığına sahiptir. Topuzu saat yönünde döndürerek kilitlenme sağlanır.
Basit ve dolayısıyla masrafsız kurulumu dikkat çekicidir.
Mandal saat yönünde çevrildiğinde kademeli ve yay yüklü kam mandalı kapı çerçevesinin arkasından yukarı hareket eder ve kapıyı içeri doğru çeker.
Kamın büyük çekme menzili (10 mm) bu kilitlerin sızdırmazlık şeritleriyle başarılı bir şekilde kullanılmasına olanak tanır. Mesafe ,Z` seçilirken kapı fitilinin kalınlığının da dikkate alınması gerekebilir. Yay yüklü kam (disk yayı) kapının titreşim altında açılmasını engeller.
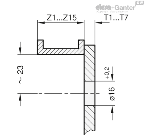
Kapı çerçevesinden delik merkezine 23 mm mesafede kapıda 16 mm Ø bir delik gerekir. Cıvata önden yerleştirilir. Ara parçası, kam mandalı ve disk yayları iç kısımda şaft üzerinde bu sırayla yer alır.
Kendinden kilitli somun, mandalın serbest hareketini sağlayacak bir tork ile sabitlenir.
| T+Z | l maks. |
| ≤ 13.5 | 31 |
| ≤ 18 | 35.5 |
| ≤ 22.5 | 40 |
| ≤ 27 | 44.5 |
| ≤ 31.5 | 49 |
| ≤ 36 | 53.5 |
| ≤ 40.5 | 58 |
| ≤ 45 | 62.5 |
| ≤ 49.5 | 67 |
| ≤ 54 | 71.5 |
| ≤ 58.5 | 76 |
| ≤ 63 | 80.5 |
Talebiniz gönderilmiştir ve mümkün olan en kısa sürede cevap verilecektir.